2834GM - ELEMENTI DI FISSAGGIO RAPIDO IN ACCIAIO INOSSIDABILE - Prod. SCU - Orig. AMF2834GM - ELEMENTI DI FISSAGGIO RAPIDO IN ACCIAIO INOSSIDABILE - Prod. SCU - Orig. AMF

Salva foto in alta risoluzione

   

 Stampa la scheda
 Invia la scheda

 Apri la pagina del catalogo
 Vai ai prodotti di pag.

Prodotto precedente Prodotto precedente
Prodotto successivo Prodotto successivo

2834GM  

Prod. SCU - Orig. AMF

 

ELEMENTI DI FISSAGGIO RAPIDO IN ACCIAIO INOSSIDABILE

INOX clamping devices

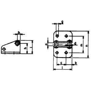
Dispositivi di serraggio sicuri e costanti di elevata qualità. Funzionamento a doppia leva, che non permette lo sganciamento in fase di tenuta. In acciaio inossidabile con impugnatura resistente agli olii e agli acidi, con bussole di supporto temprate e rettificate. Completi di vite e puntale in resistente gomma dura. Indicati per industrie chimiche, alimentari, dove occorrono speciali condizioni igieniche, dove l’utilizzo è critico a causa delle sfavorevoli condizioni climatiche, dove si utilizzano liquidi di raffreddamento particolarmente aggressivi. Forza min. e max (F1-F2) espressa in Newton (N).

Supporti di aggancio, per Art. 2834 GL.

 Aggiungi al carrello  

NoteCod. Art.Cad.Cod. Prod.Grandezza
Ingombro vertic. chiuso (i)
mm
Ingombro orizzontale chiuso (l)
mm
Peso
grammi
Peso ArtQTAMIN
2834GM 1€ 66,90 12931400,040
2834GM 3€ 77,40 32940700,070
2834GM 5€ 106,00 561553200,320
 

News